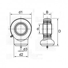
Rotule lisse

Recherche par modèle

Produit ajouté à la liste de souhaits
Consentement aux cookies